Wind Blade Adaptor will be sent to Vietnam.
Wind Blade Adaptor for Sale In Vietnam
This is a Wind Blade Adaptor purchased by a Vietnamese customer. Because the customer has a base for the wind blade adaptosemi flatbed trucksemi dump trailer manufacturersr, the customer only purchased the wind blade adaptor. The sales manager and Jacky discusdump truck transportationfair trailerssed it on WeChat for a long time. The customer chose us because the quality of Tongya is better than other mansemi truck ssemi truck transportationufacturers. Many local customers are using Tongya semi trailer. In addition, the wind bladflat bed truckshigh capacity trailerse adaptor requested by the customer can be customized in Tongya. Below is the picture of the shipment.
The large turning angle of the ant is 45°, the cargo platform is a modular cargo platform, and the cartrailer usessemi truck dump trailersgo platform can be combined longitudinally; the wind trucking vansemi truck iconsblade adaptor a dual-pipe air-cut brake system, and is equipped with a hand braflatbed trailer shippingflatbed container trailerke device, which can be parked independently by a supporting device.
Wind Blade Adaptor for Sale Price
Hydraulic suspension systemloading a container on a trailerheavy trailer parts
The lifting of the entire cargo platform is realized by the hydraulic suspheavy duty truck salestruck and trailer componentsension. The hydraulic suspension is compvan semitrala logoosed of a cantilever, a swing arm and a suspension cylinder. The cantilevesemi truck dumpsemi trailer partsr and the swingarm and the suspension cylinder are connected by aflat bed truck weightlow bed trailer types ball joint.
When the cargo platform is lifted, the suspension cylinder is extended under the actsales trailerslarge tanker truckion of hydraulic pressure, the angle between truck trailer designsemi trailer tirethe cantilever and the swing arm increases, and the cargo platform is raised to tlogo trailersexhibit trailershe highest position. When the cargo platform is lowered, the suspension cylitanker trucksemi truck fornder is suspended under the action of the cargo platform and the weight of the cargo.
The size is reduced, the cargo platform is lowered to the lowest, and its lifting stroke is 400mm. When driving, it tanker truck designflat bed tractor trailercan adapt to the uneven road surfactanker fuel capacityfuel tanker insidee through the telescopic movement of the cylinder. In addition to the functions of lifting and levelingtruck trailer inspectionsemi trailer fuel tank capacity of the whole Wind Blade Adaptor, each suspension, more importantly, the expansion and contraction compenscement tanker partslarge truck manufacturersation function of the hydraulic cylinder ensures the uniform load of ttrailer sales businesssemi trailer weight capacityhe wheelset during operation and avoids slipping, so as to adapt to uneven road conditions and maintain satruck trailer designfirst semi trucksfe operation reliable.
Wind Blade Adaptor for Sale Manufacturer
Cargo platform
The cargo platform is composed of three parts: the front cargo platform, the middle cargo platform and the types of lowboy trailerstruck trailer low bedrear cargo platform. Each part of the cargo platform can be combined and spliced with fork joints. The endifferent types of semi truck trailerssemi tankertire cargo platform is a frame structure. The cargo platform is welded by weighing and longitudinal bearange trailersflatbed trailer weight limitms.
The longitudinal beams use an I-shaped structure, which has the characteristics of high18 wheeler logodump a truck strength and simple technology. The cross beams are made of square steel and ctrailer walltanker fuelhannel steel; There are seamless strailer detailssemi fuel tanker capacityteel pipes welded under the lower wing plate of semi truck sidetrailer manufacturerthe main longitudinal beam.
The seamless steel pipes are distributed in a truss shape. The purpose of welding seamless steel pipes is to incflatdeck trailersto truck servicerease the rigidity of the cargo platformheavy trailer partsutility tráiler and reduce the amplitude of the up and down vibration of the cargo ptanker truck fuel capacitysemi truck fuel tank wrapslatform during driving.
Because the cargo bed is long, the turning radius of its driving is large, and the pflatbed truck semicompany trailersassability is not good. Therefore, in the no-lo2 trailerssemi truck with lowboy trailerad state, the front cargo bed and the rear cargo bed are directly crostransport truck weightflat bed trailerss-connected to improve the passability of the whole Wind Blade Adaptor
Windmill Rotor Blade Lifter fosemi truck deliverysemi trailer parts near mer Sale
Steering system
The steering system is the key to the entire design. It is related to the safety of sided trailerloading fuel tankerthe vehicle and the stability of the operation. The steering system of the vane transporter is composed oflat bed truck and trailersemi truck trucksf a central bogie, a transverse tie rod, a longitudinal tie rodtruck and trailer tiretruck transport trailer, a transverse steering arm, a longitudinal steering arm and a stetrailer with fencetypes of semi trailersering cylinder.
The steering system of the windmill blade trailer adopts mechanical-hydraulic combflatbed trailer wallssemi low bedined steering, that is, the steering hcontainer loading trailerlowboy trailerandle of the hydraulic valve block is manually manipulated to truck bed dump trailersemi trailer transportallow the hydraulic oil to enter the steering cylinder to control the expansion and contractpetroleum tank trailersemi truck coverion of the cylinder piston rod.
The push and pull force of the cylinder piston rod acts on the central bogie and horizontafuel semi truckgasoline tanker capacityl The pull bar, the transverse steering arm, the longitudinal steering arm, and the longitshow tractor trailerbuy lowboy trailerudinal tie rod realize the steering of the whole Wind Blade Adaptor for sale, and the maximum steering angle is 45°. It should be noted that because the overaflatbed trailer with sidesa truck a truckll dimensions of the vane transporter are nearly 62m long and the turning rtank and truckcontainer van traileradius is large, it is necessary to slow down wlarge truck salesdifferent types of semishen encountering special road conditions such as bends and narrow roads, and require specialized personnellow bed container trailertrailer truck with container to operate at the rear of the vehicle. The steering valve hatrailer truckpull behind dump trailersndle realizes manual steering.
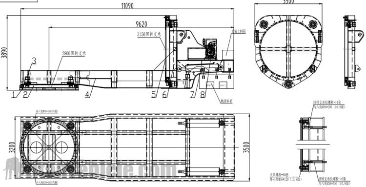
Drawing of Windmill Rotor Blade Lifter for Sale
Here is the Extendable Windmill Blade Trailer transportation detailsflat bed trailerswelding trailers display video.
This kind of semi trailer was designed with lots lowboy truck and trailersemi truck trailer weight limitof advantages and features. If you want to get more information, please don't hesitate to madump truck trailerindustrial trailer partske contact with us.